推薦產品
咨詢熱線:
郵件: oklzq@aliyun.com
電話:0317-8309525
地址: 河北省泊頭市南倉街
-
產品詳情

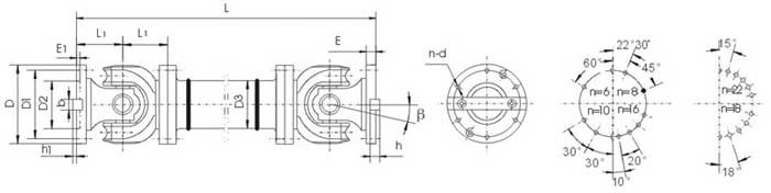
SWP-D型無伸縮長型萬向聯軸器
| 型號 | 回轉直徑 D mm | 公稱轉矩 Tn kN·m | 疲勞轉矩 Tf kN·m | 軸承折角 β (°) | 尺寸mm | |||||||||
| Lmin | D1 | D2 | D3 | E | E1 | b×h | h1 | L1 | n-d | |||||
| SWP160D | 160 | 16 | 8 | ≤10 | 430 | 140 | 95 | 114 | 15 | 4 | 20×12 | 6 | 85 | 6-13 |
| SWP180D | 180 | 20 | 10 | ≤10 | 474 | 155 | 105 | 121 | 15 | 4 | 24×14 | 7 | 95 | 6-15 |
| SWP200D | 200 | 31.5 | 16 | ≤10 | 544 | 175 | 125 | 127 | 17 | 5 | 28×16 | 8 | 110 | 8-15 |
| SWP225D | 225 | 40 | 20 | ≤10 | 636 | 196 | 135 | 152 | 20 | 5 | 32×18 | 9 | 130 | 8-17 |
| SWP250D | 250 | 63 | 31.5 | ≤10 | 690 | 218 | 150 | 168 | 25 | 5 | 40×25 | 12.5 | 135 | 8-19 |
| SWP285D | 285 | 90 | 45 | ≤10 | 760 | 245 | 170 | 194 | 27 | 7 | 40×30 | 15 | 150 | 8-21 |
| SWP315D | 315 | 140 | 63 | ≤10 | 860 | 280 | 185 | 219 | 32 | 7 | 40×30 | 15 | 170 | 10-23 |
| SWP350D | 350 | 180 | 90 | ≤10 | 940 | 310 | 210 | 245 | 35 | 8 | 50×32 | 16 | 185 | 10-23 |
| SWP390D | 390 | 250 | 112 | ≤10 | 1060 | 345 | 235 | 273 | 40 | 8 | 70×36 | 18 | 205 | 10-25 |
| SWP435D | 435 | 355 | 160 | ≤10 | 1180 | 385 | 255 | 299 | 42 | 10 | 80×40 | 20 | 235 | 16-28 |
| SWP480D | 480 | 450 | 224 | ≤10 | 1360 | 425 | 275 | 351 | 47 | 12 | 90×45 | 22.5 | 265 | 16-31 |
| SWP550D | 550 | 710 | 315 | ≤10 | 1460 | 492 | 320 | 402 | 50 | 12 | 100×45 | 22.5 | 290 | 16-31 |
| SWP660D | 600 | 1000 | 500 | ≤10 | 1840 | 544 | 380 | 450 | 55 | 15 | 90×55 | 27.5 | 360 | 22-34 |
| SWP640D | 640 | 1250 | 630 | ≤10 | 1980 | 575 | 385 | 480 | 60 | 15 | 100×60 | 30 | 385 | 18-38 |
注:標記示例:回轉直徑D=315mm,安裝長度L=900mm,D型有伸縮長型萬向聯軸器。
SWP315D×900聯軸器
SWP-D型無伸縮長型萬向聯軸器所聯接的兩軸,由于制造及安裝誤差,承載后的變形以及溫度變化的影響等,會引起兩軸相對位置的變化,往往不能保證嚴格的對中。根據聯軸器有無彈性元件、對各種相對位移有無補償能力,即能否在發生相對位移條件下保持聯接功能以及聯軸器的用途等,聯軸器可分為剛性聯軸器,撓性聯軸器。





